欢迎光临深圳市4008云顶集团电子有限公司官网!
专业电子元器件代理商深圳市4008云顶集团电子有限公司
全国咨询热线:0755-25890186

HSHCAD140A——ALPS湿度传感器

小型湿度传感器(连接器型)HSHCA系列搭载了小型湿度传感器可方便在各种场景使用的模组型产品。型:搭载热敏电阻测量温度和湿度 ・ 安装方法:连接器。
产品详情
我司是ALPS授权代理商,ALPS系列产品均有在售,需要了解价格、包装数,交期以及产品资料请咨询在线客服!

HSHCAD140A用途:

Energy / Industrial:工业设备
Game:VR AR
Healthcare:健康器具, 介护器具, 分析 检查器具
Home:白色家电, 办公设备

规格参数:


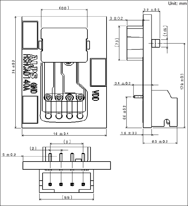
外形图

 

标签:

联系方式

深圳市4008云顶集团电子有限公司

联系人:周先生

手机:18138736042

电话:0755-25890186

QQ:2027783806

电邮:david-sz@gdhdh.com

地址:深圳市龙岗区布吉街道万科红立方大厦1705室

采购:HSHCAD140A——ALPS湿度传感器
看不清?点击更换看不清?

相关产品/ RELATED PRODUCTS
在线客服
联系方式

热线电话

18138736042

上班时间

周一到周五 8:45—18:00

公司电话

0755-25890186

二维码
线
4008云顶集团
网站地图